叠加定理的内容是指:在多个同时作用的线性中,任何支路的或任意两点间的,都是各个单独作用时所得结果韵代数和。
在进行叠加处理时,当恒流源不作用时应视为开路;当恒压源不作用时应视为短路,如图所示,I=I'+I"。
注意:计算功率时,不能应用叠加原理。
例1:用叠加原理求图所示电路中的I2。

解:12V电源单独作用时:
7.2V电源单独作用时:
根据叠加原理:
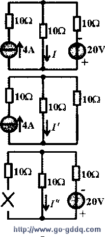
I2=I2'+I2"=1+(-1)=0例2:用叠加定理求下图中I=? 解:4A电流源单独作用时:
20V电压源单独作用时:
恒流源不起作用”或“令其等于O”,即是将此恒流源去掉,或在恒流源处开路,贝I=I'+I"=2+(-1)=1A。

应用叠加定理注意以下问题:
1.叠加定理只适用于线性电路(电路参数不随电压、电流的变化而改变)。
2.叠加时只将电源分别考虑,电路的结构和参数不变。暂时不予考虑的恒压源应予以短路,即令U=O;暂时不予考虑的恒流源应予以开路,即令Is=O。
3.解题时要标明各支路电流、电压的正方向。原电路中各电压、电流的最后结果是各分电压、分电流的代数和。
4.叠加定理只能用于电压或电流的计算,不能用来求功率,即功率不能叠加,如图所示,设![]()


5.运用叠加定理时也可以把电源分组求解,每个分支电路的电源个数可能不止一个。