机中环绕声道只是产生环回声场效果,功率设计得比较小,常采用中功率的音频功率放大,如LM1875、LM1876、LM3886、TDA2003/A、TDA7264/A等。这些中功率集成块的内部一般都带有过流、过压、过温保护,不用另没保护电路。
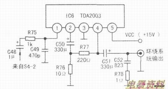
下图是中宝(ZBO)KB-18A环绕声道功率放大电路,它以功率放大TDA2003为核心,为OTL电路,采用单供电,其⑤脚接+15V。信号从C48、R75进入丁DA2003的①脚输入端,电路以同相放大器方式工作,经功率放大后,从④脚经输出C51输出。R77是负反馈,与R76分压后,通过C50送到②脚的输入端。放大器的闭环增益通过R77、R76,C50组成的反馈网络设定。C52、R78组成扬声器补偿网络。
