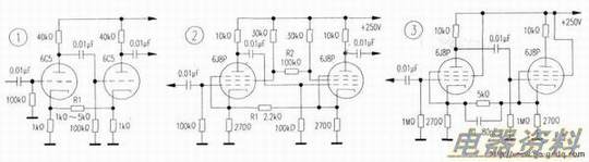
图l中,这种正回授是由连接在两管阴极的Rl建立的.Rl的数值与电子管型号有关,可由实验决定。由于正回授中较小,故当高至lOOk~200kHz时.分布的分流也不影响其工作,供电的变化对放大器的工作影响也不大。
图2所示的电路中,利用正回授从五极管放大器取消帘栅极到地之间的旁路。旁路电容取消后,经降压电阻降压供电的帘栅极将使放大量减小。利用连接于两管帘栅极的电阻R2所产生的正回授来弥补减小了的放大量。
例2所示的电路中,阴极、帘栅极均无电容,连接在两管之间的电阻R1产生的正回授代替了阴极旁路电容的作用。连接在两管帘栅极间的电阻R2产生的另一个正回授代替了帘栅极旁路电容的作用。由于R2阻值较大,故在高频端分布电容对高音频的旁路作用明显,使高音不足,通频带变窄。
图3所示的电路中,在两管阴极间接入电容器C1(80pF),随着频率的升高,正回授量亦随之增大,从而弥补了由于分布电容对高频成分旁路而减小的增益。

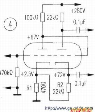
图4为E.包利索夫设计的具有正回授的分段倒相电路。由于第二个三极管的阴极电阻R2接到第一个三极管阴极电阻R1上端,而Rl无旁路电容,这样所产生的正回授使电路的放大量增加了约一倍。

图5所示的高质量放大器是很有趣的,其中第一只电子管Vl作普通电压放大,它的输出经特别耦合电路和第二只电子管V2左边三极管栅极相连,该级亦为电压放大级,电压从该级输出加到管V3栅极上,而V3、V4接成推挽功放放大电路。
该机输出TP采用29mmx25mm型硅钢片,舌宽为29mm.叠厚25mm。初级用φ0.15mm高强度漆包线分四段绕制(如图6所示),先在骨架上绕两个初级绕组l、2,然后绕次级绕组5,最后在绕组5上面绕两个初级绕组3、4。所有这些绕组按图6连接。这样的结构可以减少漏感,而这一点是强回授放大器稳定工作所必须的。初级每段绕865匝,次级用φ0.86mm漆包线绕75匝。
