51单片机集成电路的输入模型


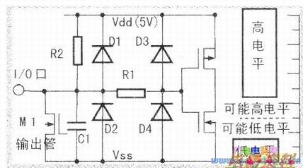
  下图是51的输入模型,如、89C51,89C52等。为了与TTL配合,51系列单片机单片机输入为TTL电平。
  
  R2上拉约500μA,与TTL类似。由于M1的存在,一旦IO口设置为输出并输出低电平,外接按钮开关接显然是不合适的。

51单片机集成电路的输入模型