直流稳压的大致结构是:
市电~变压(降压)~整流~~稳压~直流输出第一个环节,也就是变压。主要是降压,一般使用来完成。但是变压器体积较大,成本也较高。如果电路简单,功率较小,例如声光控制开关。
那么加一个变压器就显得大材小用。这个时候用一个,就可以解决降压的问题,同时简化电路,节约成本。基本电路如上图所示。
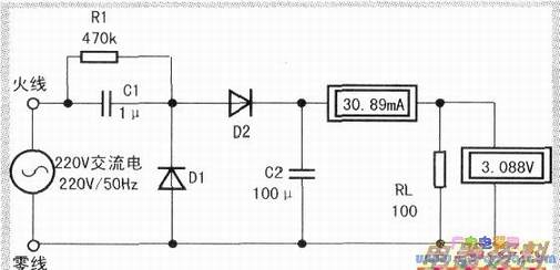
市电经过C1降压后到D2,D2完成半波整流,C2对整流后的脉动直流滤波,输出直流给,这里没有进行稳压。R1是关闭后C1的电荷泄放。D1是为了在市电的负半周给C1提供充放电通路,保证C1在整个交流电内都是工作的。
如果将C1后面的电路都看作负载的话。那么相当于C1和一个串联在220V/50的市电通路里,和在交流下都是有的,串联分压,自然负载上的电压就小了。更准确的理解是:C1起到了限流的作用。它和负载RL决定了电路中的。当负载确定的情况下,C1越小,越大,电路中电流也就越小,负载上的电压就越小,最终起到了降压的作用。所以,电容降压的本质是利用容抗限流。
例如:上图中如果负载短路,并且不考虑R1的并联作用,220V交流电压全部加在1uF的C1上,从市电输入端看,电路中的电流等于C1的充放电电流。

这个电流也就是上图电路中能够获得的最大电流。本文计算的都是。
由于是半波整流。所以电容C1后面的电路只能得到C1半个周期的充放电电流,也就是有效值的一半.大约34.5mA左右。
当加上负载后。如果负载阻抗远小于电容容抗的话,则可以近似认为全部电压都加在电容上。实际中由于负载上有压降,所以实际电流要小一点,大约30rnA左右。
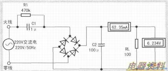
对于如下图所示的桥式整流,C1后面的电路能得到C1整个周期的充放电电流。在存在负载,且负载阻抗相对容抗较小的情况下,负载能够得到大约60rnA的电流。
对于上图,下图两种电路。如果负载阻抗比较大,或者要求输出稳压,则需要另行计算。

