电力系统的主变风机回路


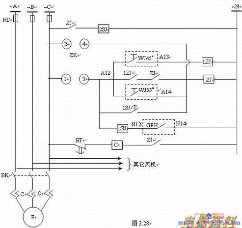
  图2.28所示了主变风机控制的一般回路。ZK是选择“自动”/“手动”把手开关,C是,BK是单组风机的开关,RT是风机的热耦,WJ是主变温度计,一般设计为两个值45℃和55℃,55℃时风机启动,45℃时风机返回。GFL是主变后备保护提供的过负荷接点,作过负荷启动风机用(可以将三侧后备保护的GFL接点并联使用)。因此风机启动方式有三种:  

  (1)手动启动方式

  ZK的2、4直接启动ZJ,ZJ启动C

  (2)温度启动方式

  ZK的1、3接通,温度超过45℃时1ZJ动作,超过55℃时ZJ动作,1ZJ与ZJ的接点对ZJ线圈自保持,一直需要温度下降到45℃以下,1ZJ断开时才返回。

  (3)过负荷启动方式

  主变过负荷时,启动时间1SJ,延时启动ZJ。

  2SJ作用是延时报风机故障信号。如图2.29

  补充:220KV主变风机启动方式与110KV主变原理完全一致。主要区别有两点(1)220KV主变温度计提供两组温度启动接点,各个风机可以根据事先把手开关设定的“温度I”或“温度II”在不同的温度逐一投入。

  (2)把手开关还设有“辅助”档,当运行的风机因故停止工作时,把手开关在辅助挡风机将自动投入运行。   因为220KV主变风机控制二次回路比较复杂,这里就不再画出,需要时可以参考厂家提供图纸。 4