不需要外加信号就能自动地把直流电能转换成具有一定和一定的交流信号的就称为振荡电路或。这种现象也叫做自激振荡。或者说,能够产生交流信号的电路就叫做振荡电路。
一个振荡器必须包括三部分:放大器、正反馈电路和选频网络。放大器能对振荡器输入端所加的输入信号予以放大使输出信号保持恒定的数值。正反馈电路保证向振荡器输入端提供的反馈信号是相同的,只有这样才能使振荡维持下去。选频网络则只允许某个特定频率 f 0 能通过,使振荡器产生单一频率的输出。
振荡器能不能振荡起来并维持稳定的输出是由以下两个条件决定的;一个是反馈 u f 和输入电压 U i 要相等,这是振幅平衡条件。二是 u f 和 u i 必须相位相同,这是相位平衡条件,也就是说必须保证是正反馈。一般情况下,振幅平衡条件往往容易做到,所以在判断一个振荡电路能否振荡,主要是看它的相位平衡条件是否成立。
振荡器按振荡频率的高低可分成超低频( 20 赫以下)、低频( 20 赫~ 200 千赫)、高频( 200 千赫~ 30 兆赫)和超高频( 10 兆赫~ 350 兆赫)等几种。按振荡波形可分成正弦波振荡和非正弦波振荡两类
正弦波振荡器按照选频网络所用的元件可以分成 LC 振荡器、 RC 振荡器和石英晶体振荡器三种。石英晶体振荡器有很高的频率稳定度,只在要求很高的场合使用。在一般家用电器中,大量使用着各种 L C 振荡器和 RC 振荡器。
LC 振荡器
LC 振荡器的选频网络是 LC 谐振电路。它们的振荡频率都比较高,常见电路有 3 种
( 1 )反馈 LC 振荡电
图 1 ( a )是变压器反馈 LC 振荡电路。 VT 是共发射极放大器。变压器 T 的初级是起选频作用的 LC 谐振电路,变压器 T 的次级向放大器输入提供正反馈信号。接通时, LC 回路中出现微弱的瞬变,但是只有频率和回路谐振频率 f 0 相同的电流才能在回路两端产生较高的电压,这个电压通过变压器初次级 L1 、 L2 的耦合又送回到晶体管 V 的基极。从图 1 ( b )看到,只要接法没有错误,这个反馈信号电压是和输入信号电压相位相同的,也就是说,它是正反馈。因此电路的振荡迅速加强并最后稳定下来

变压器反馈 LC 振荡电路的特点是:宽、容易起振,但频率稳定度不高。它的振荡频率是: f 0 =1 / 2π LC 。常用于产生几十千赫到几十兆赫的正弦波信号。
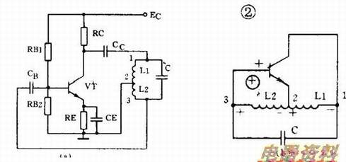
( 2 )三点式振荡电路

图 2 ( a )是另一种常用的三点式振荡电路。图中电感 L1 、 L2 和 C 组成起选频作用的谐振电路。从 L2 上取出反馈电压加到晶体管 VT 的基极。从图 2 ( b )看到,晶体管的输入电压和反馈电压是的,满足相位平衡条件的,因此电路能起振。由于晶体管的 3 个极是分别接在电感的 3 个点上的,因此被称为电感三点式振荡电路。
电感三点式振荡电路的特点是:频率范围宽、容易起振,但输出含有较多高次调波,波形较差。它的振荡频率是: f 0 =1/2π LC ,其中 L=L1 + L2 + 2M 。常用于产生几十兆赫以下的正弦波信号。
( 3 )三点式振荡电路
还有一种常用的振荡电路是电容三点式振荡电路,见图 3 ( a )。图中电感 L 和电容 C1 、 C2 组成起选频作用的谐振电路,从电容 C2 上取出反馈电压加到晶体管 VT 的基极。从图 3 ( b )看到,晶体管的输入电压和反馈电压同相,满足相位平衡条件,因此电路能起振。由于电路中晶体管的 3 个极分别接在电容 C1 、 C2 的 3 个点上,因此被称为电容三点式振荡电路。

电容三点式振荡电路的特点是:频率稳定度较高,输出波形好,频率可以高达 100 兆赫以上,但频率调节范围较小,因此适合于作固定频率的振荡器。它的振荡频率是: f 0 =1/2π LC ,其中 C= C 1 C 2 C 1 +C 2 。
上面 3 种振荡电路中的放大器都是用的共发射极电路。共发射极接法的振荡器增益较高,容易起振。也可以把振荡电路中的放大器接成共基极电路形式。共基极接法的振荡器振荡频率比较高,而且频率稳定性好
RC 振荡器
RC 振荡器的选频网络是 RC 电路,它们的振荡频率比较低。常用的电路有两种。
( 1 ) RC 相移振荡电路
图 4 ( a )是 RC 相移振荡电路。电路中的 3 节 RC 网络同时起到选频和正反馈的作用。从图 4 ( b )的交流等效电路看到:因为是单级共发射极放大电路,晶体管 VT 的输出电压 U o 与输出电压 U i 在相位上是相差 180° 。当输出电压经过 RC 网络后,变成反馈电压 U f 又送到输入端时,由于 RC 网络只对某个特定频率 f 0 的电压产生 180° 的相移,所以只有频率为 f 0 的信号电压才是正反馈而使电路起振。可见 RC 网络既是选频网络,又是正反馈电路的一部分。