隔离开关变换器的拓扑结构有很多种,但其中三种比较常用,它们是逆向变换器、正向变换器和推挽变换器。在这些中,从输入到的能量转换是通过一个耦合或其他磁性元件实现的。
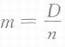
(1)推挽变换器与半桥变换器。推挽变换器与半桥变换器是典型的逆变整流型变换器,电路结构如下图所示。加在变压器一次绕组上的幅度为输入电压U1宽度为开关导通时间ton的脉冲波形,变压器二次电压经VD1、VD2全波整流为直流。
推挽式典型电路如下图(a)所示。它属于双端式变换电路,高频变压器的磁心工作在的两侧。电路使用两个开关管Vl和V2,两个开关管在外激励方波信号的控制下交替导通与截止,在变压器二次绕组得到方波电压,经整流变为所需要的直流电压。
这种电路的优点是两个开关管容易驱动,主要缺点是开关管的耐压要达到两倍电路峰值电压。电路的输出功率较大,一般在100~500W范围内。
下图(b)表示半桥变换器的电路结构。如只从输出侧来看,工作原理和降压型变换器完全相同,二次侧滤波用于存储能量。电压变换比m与降压型变换器相类似,即
式中:n为变压器的匝数比,
为一次绕组的匝数;N2为二次绕组的匝数。

(2)单端激励型变换器。
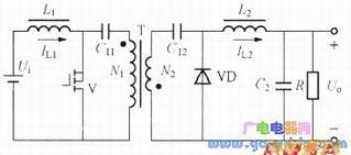
1)单端反激式开关。单端反激式开关电源典型电路如下图所示。电路中所谓的单端是指高频变换器的磁心仅工作在回线的一侧。所谓反激是指当开关管VT1导通时,高频变压器T-次绕组的感应电压为上正下负,流二极管VD1处于截止状态,在一次绕组中储存能量;当开关管VT1截止时,变压器T-次绕组中存储的能量,通过二次绕组及VD1整流和C滤波后向负载输出。
单端反激式开关电源是一种成本最低的电源电路,输出功率为20~100W,可以同时输出不同的电压且有较好的电压调整率。唯一的缺点是输出的纹波电压较大,外特性差,适用于相对固定的负载。
单端反激式开关电源使用的开关管VT1承受的最大反向电压是电路工作电压值的两倍,工作在20~200k之间。

2)单端正激式开关电源典型电路如下图所示。这种电路在形式上与单端反激式电路相似,但工作情形不同。当开关管VT1导通时,VD2也导通,这时电网向负载传送能量,滤波L储存能量;当开关管VT1截止时,电感L通过续流二极管VD3继续向负载释放能量。它是采用变压器耦合的降压型变换器电路,与推挽型变换器一样,加在变压器一次侧(一半)的电压为输入电压Ui宽度为开关导通时间ton的脉冲波形,变压器二次电压经二极管全波整流器流变为直流。电压变换比为m=D/n。
开关断开时,变压器释放能量,二极管VD3和绕组N3就是为此而设,能量通过它们反馈到输入侧。开关断开时,绕组Ni中存储的能量转移到绕组N3中,为防止变压器饱和,在开关断开期间内变压器必须全部消磁,则tre≤(l-D)Ts。
在电路中还设有钳位线圈与二极管VD1,它可以将开关管VT1的最高电压限制在两倍电源电压之间。为满足磁心复位条件,即磁通建立和复位时间应相等,所以电路中脉冲的占空比不能大于50%。
由于这种电路在开关管VT1导通时,通过变压器向负载传送能量,所以输出功率范围大,可输出50~200W的功率。电路使用的变压器结构复杂,体积也较大,正因为这个原因,这种电路的实际应用较少。

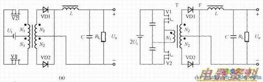
3)隔离型CuK变换器。隔离型CuK变换器典型电路如下图所示。开关断开时,电感L1的LL1对Cn充电,同时C12也充电(二极管VD导通),开关V导通时,二极管VD变为截止状态,C12通过L2向负载放电。

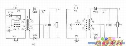
4)电流变换器。电流变换器典型电路如下图所示,它是逆变整流型变换器。
下图(a)是能量回馈方式,开关VT导通时,电感器L的一次侧电压为Ud-nUo(式中n=N1/N2),电感L励磁并储存能量;VT断开时,储存在电感L中的能量通过二极管VD3反馈到输入侧。对于下图(b)所示的变换器,两只开关同时导通时,加在电感L上的电压为Ui电感L励磁并储存能量。任意一只开关断开时,反向电压(nUo-Ud)加到电感L上,电感L释放能量,其工作原理与升压型变换器类似。
