内容摘要:为了提高三相PFC的稳定性和高效性,降低系统成本,设计了基于平均控制算法的三相VIENNA,该整流器利用平均电流控制算法和VIENNA整流结构相结合,采用数字控制方式。为了保证系统在输出正负母线正负平衡,系统引入母均衡控制。实验结果表明,基于该设计方法的6,2kW三相PFC整流器,可靠稳定,可达到99%,效率可达到96%。
叙词:VIENNA整流 平均电流控制 功率因数
Abstract:In order to improve the stability and effiency of the three-phase PFC, reduce cost, the design is based on the system control of the three-phase current average algorithm of VIENNA rectifier, this rectifier with the use of the average current control algorithm and VIENNA rectifier structure, and the combination of the digital control mode. In order to guarantee system in the output voltage balance, positive and negative positive and negative bus system introduces the balance control bus voltage. The experimental results show that the design method based on the 6, 5 kW three-phase PFC, reliable and stable, rectifier power factor achieve 99%, efficiency can reach 97%..
Keyword:VIENNA Rectification, Average current control, DSP, Power factor
1 引 言
近年来,随着电力电子技术的发展,大量的非线性接入电网,导致电网质量急剧恶化。给电网带来日益严重的谐波危害,降低设备的功率因数,难以满足相关标准(GB/T14549-93、IEEE519-1992、IEC1000-3-2等)要求。为了较好的提高接入电网设备的功率因数和降低谐波,就是在使用设备的供电端加入功率因数校正(PFC)。
传统的功率因数校正技术主要是对单相PFC电路做研究,并且技术已经相当成熟,如基于平均电流控制算法的U3854功率因数校电路。但是,单相PFC在应用方面受到了功率的限制,使用范围有限。而针对大功率三相PFC当前主要有两种设计方法,一种是将其分为三个单相电路来处理,将输出端并联,但该方法设计复杂,成本较高;另一种是采用空间矢量算法,但该方法算法用在三相PFC中,由于存在高频干扰,导致其稳定性差。而针对大功率三相PFC的特点,本文设计了基于平均电流法算法、VIENNA结构的,并在此基础上加上了输出母线电压平衡控制实现了单位功率因数,解决了三中点平衡问题。通过在三不平衡和负载突变实验,对VIENNA 整流器进行了分析,其结果证明了该控制策略的可行性。
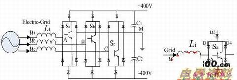
2 VIENNA整流器的工作原理
VIENNA结构功率因数校正电路结构如图1所示,其中交流侧的Li为等值平波,起到传递能量、抑制高次谐波、平衡桥臂终端电压和电网电压的作用;C1、C2为输出,为高次谐波电流提供低通路,减少直流电压纹波,同时还有平衡中点电位的作用。三相中的每相都由一个由全控开关器件(分别是Sa, Sb, Sc)和4个组成的双向开关。

图1 VIENNA整流器结构图
3 VIENNA 整流器的控制与输出母线平衡算法
PFC软件算法是借鉴模拟芯片UC3854的平均电流型控制方法,平均电流型控制采用电压外环和电流内环的双环控制,由乘法器实现电流给定的计算,同时达到恒功率输入的目标。因此运算的核心包括双环调节计算和电流给定的乘法器计算,乘法器中的除法通过查表得出,以减少中断执行时间。控制算法流程如图2所示。

图2 平均电流控制算法示意图
三电平PFC电路采用正负母线输出,所以要控制正负输出平衡:δ=k*(Vp-Vn)。把δ叠加到电压波形给定中去,这样可以调节母线平衡。δ越大,调节平衡能力越强,但是注入到输入电流的谐波也就越大,影响THD指标。重载下电流大,系数k可以取小。轻载下电流小,系数k要取大,加强平衡调节能力。所以在程序中,轻载(35A以下),k值取值较小;重载(35A以上),k值取值较大。
if(uiDcPower < 54*35 )
{Pfcisr.ui_Pfc_Vin_CompRatio = 256;}
else
{Pfcisr.ui_Pfc_Vin_CompRatio = 20;}
4 硬件设计及其样机验证
为了证明VIENNA整流器控制方法的可行性,设计了基于TMS320F2808 控制芯片的6kW整流器样机,采样为90k。其实验参数:输出功率Po=6.2kW;相电压Urms=220V;直流母线电压Udc为+400V和-400V;输入滤波Ls=2.8mH;直流母线C1=C2=1500μF。控制原理如图3所示。

图3. 系统控制示意图
对VIENNA整流器的额定工作状态进行实验,并假设三相输入电压平衡且负载无波动。图3为稳态额定负载条件下VIENNA整流器样机的实验波形。由图可见,VIENNA整流器在稳态条件下,输入线电流能跟踪正弦输入相电压波形,且实现了直流侧稳压和电容电压平衡控制, 实验测得THD=1.58%,PF=0.99。图4为在轻载情况测试VIENNA整流器的波形,从波形可以看出,在轻载情况下,整流器的谐波含量明显增加。
