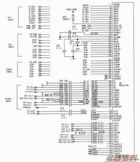
液晶彩电中频信号处理输出的视频信号去了视频切换开关。顺着“TVl-V”电路符号在电路原理图上寻找,发现了“TVl-V”,见上图。“TVl-V”信号经过L25、R255后变成了TVl-Vin+。再找电路原理图上的“TVl-Vin+”的标注,发现了在主芯片U8的左边有标注为“TV1-Vin+”的符号,仔细观察主芯片U8左边的电路和其他几张电路图,发现来自不同信号输入接口的视频信号(VIDEO)、色差分量信号(SCART)、VGA信号、DVI信号均直接进入了U8的内部,见下图。


到此,我们就看明白了,原来不仅该机的视频信号切换由主芯片U8内部电路完成,而且其他信号如:色差分量信号、VGA信号、DVI信号的切换选择也由主芯片内部电路完成。
按照液晶电视机的基本原理,视频信号进入视频切换电路后,经过切换选择后的信号应当进行色度信号、亮度信号放大和AD变换等处理,并与来自其他电路中的色差分量信号、VGA信号、DVI信号进行切换,然后再送往变频处理电路进行变频处理。
在海信TLM3207A系列液晶电视主板电路中,我们没有见到独立的色度信号解调、亮度信号放大和AD变换等处理电路,也没有见到独立的承担色差分量信号、VGA信号、DVI信号切换任务的电路,电路图上没有看到,就说明该机的色度信号解调、亮度信号放大和AD变换等处理电路以及承担色差分量信号、VGA信号、DvI信号切换任务的电路均由主芯片内部电路组成。也就是说,不同视频信号、色差分量信号、VGA信号、DVI信号进入主芯片内部后,不再输出,而是由内部电路进行一系列处理得到满足变频处理电路要求的信号后,直接送往了变频处理电路。
在液晶电视中,变频处理电路通常由两部分电路组成,一部分是承担变频任务的专用集成块或非独立集成块内部的模块电路,另一部分是承担数据动态存储的帧。在目前生产的液晶电视中,帧存储器有由独立的集成块组成,也有由非独立的集成块组成。液晶电视中承担变频处理任务的变频集成块和帧存储器比较好找,原因是这两部分电路是独立的,它们之间一定有很多代表数据信号的数据线、时钟线、地址线和控制线,见下图。下图为长虹LS12机芯中的变频处理电路。它是一个由非独立的集成块U9(MST69X88L)和独立帧存储器Ull(DDR_128Mb_TSOP66)共同组成的变频电路,承担着将不同信号变换成归一化格式的任务。

在海信TLM3207A系列液晶电视主板电路中,我们没有发现独立的承担变频任务的专用集成块,也没有发现通过很多线与主芯片相连的Ull(DDR_128Mb_TSOP66)这样的集成块,这说明该机的变频电路没有独立的帧存储器,承担变频任务的电路全部由主芯片内部部分模块电路组成。
液晶电视的上屏信号处理电路很少由独立的集成块组成,基本上都是由非独立的集成块组成。在电路图中,找液晶电视的上屏信号形成电路,应当首先找到上屏信号输出接口。液晶电视中的上屏信号输出接口通常有两种结构形式,一种是直列式,见下图b;另一种是双排并列式,如下图a。实际上,液晶主板上的上屏信号输出接口采用何种结构并没有强制规定,完全取决电路设计人员的选择。

由于液晶电视主板上的上屏信号接口电路上标注的符号与上屏信号形成电路输出信号脚所标注的符号一致,所以,只要在电路原理图中找到了上屏信号输出接口后,按照其上所标注的字符就很容易找到上屏信号形成电路了。
下图a是我们在海信TLM3207A系列液晶电视主板电路中找到的上屏接口,根据该接口电路图上所标注的符号,我们发现主芯片U8部分输出脚上所标注的符号与此相同,见下图b。由此,就看明白了该机的上屏信号形成电路由主芯片内部部分模块电路组成。

提示:从上面的介绍可以看出,在没有集成块资料的情况下,要看懂一份电路原理图,第一要掌握液晶电视的基本结构和各部分电路的作用,如液晶电视主板电路中的控制系统电路、射频信号处理电路、变频电路、上屏信号形成电路由哪些电路组成,其作用是什么等。第二,要找到电路图上所标注在不同电路图上的相同符号,并将其联系起来。因为电路图上所标注的符号代表了信号的去向,故只要将其联系起来,主板电路的信号流程也就清楚了,自然是电路的原理图也能看懂了。看懂了电路原理图,维修起来也就容易多了。