就输入信号而言,外部通过输入接口进入液晶电视主板的涉及图像的信号不外乎有射频信号、视频信号、VGA信号、YC信号、HDMI信号、YPbPr信号和USB信号等;就输出信号而言,主板输出涉及图像的信号却只有视频电视信号和LVDS信号。所以图像信号处理中,有射频信号处理电路、视频信号处理电路和完成变频信号处理和LVDS信号形成的数字信号处理电路。
对此,我们在看液晶电视的图像信号处理电路时,可先从射频信号处理电路人手。
液晶电视中的射频信号处理电路有由组合型高频器(普通高频调谐器+中频信号处理电路)进行处理的,也有由独立高频调谐器和独立中频信号处理电路或非独立中频信号处理电路进行处理的。因此,在看图像信号处理电路时,我们应当先看高频调谐器的信号输出情况。如果高频调谐器输出的是视频信号(VIDEO),则主板电路中的高频调谐器一定采用的是组合型高频调谐器;如果输出的是中频信号(IFTV),则主板上的高频调谐器一定采用的是只对高频信号进行放大和处理的独立高频调谐器。
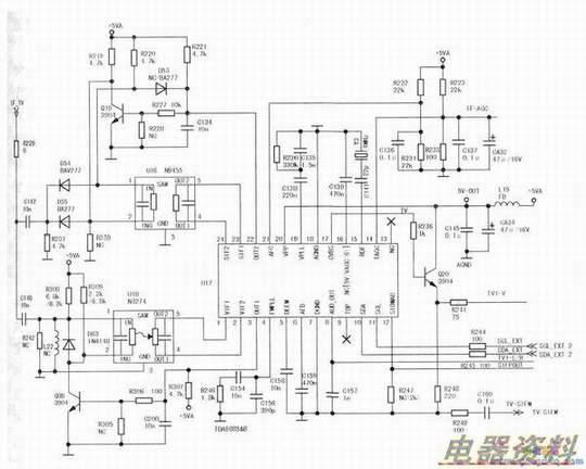
根据看图像信号处理电路先从射频信号处理电路人手的方法.我们先在海信TLM3207A系列液晶电视主板电路原理图中找出高频调谐器,经过寻找,在电路原理图上找到了该机的高频调谐器,见下图,稍作观察,就会发现该高频调谐器输出的信号为中频信号(IFTV),由此判定该机所采用的高频调谐器为独立型高频调谐器,其特点与普通CRT彩电中受总线控制的高频调谐器完全一样。

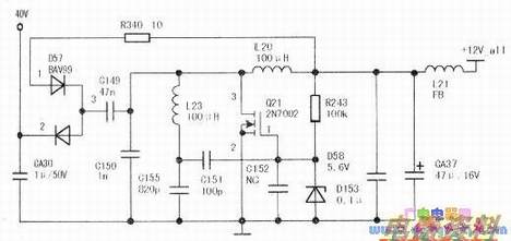
从电路图上我们还很容易看到加到高频调谐器上的有+5VA、33V、高放AGC电压(IFAGC)和总线信号。如果要寻找33V电压来自何处,在电路图也很容易找到33V电压形成电路,见下图。从下图可以看出,该机高频调谐器所需要的33V电压是一个由Q21、C151等元件组成的自激振荡电路产生的。

找到了高频调谐器和高频调谐器的输出信号后,下一步是依据电路原理图上所标注的高频调谐器输出信号的符号去寻找中频信号处理电路。
前面谈到海信TLM3207A系列液晶电视主板电路中的高频调谐器输出的中频信号为“IF TV”,在其主板电路原理图中的第7张电路图上,我们看到了“IFTV”信号被送到了与普通CRT彩电相同的(由两个独立的U16、U18组成)、采用准分离方式的幅频特性选择电路,选择后的信号又进入了集成块U17(TDA9885)。再看由U17组成的电路,发现U17输出的信号有三种:视频信号TVl-V、音频信号TVl-L/R和高放AGC信号IFAGC。由此可以看出在海信TLM3207A系列液晶电视主板电路中,由声表面U16、U18和集成块U17等元件组成的电路为图像中频放大和视频检波电路,它与普通CRT彩电中的图像中频信号处理电路是一样的,见下图。
