电容器的感性负载驱动作用


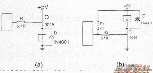
  电子中当需要驱动感性时,如用双极性驱动一只5V JQX-14F型,可以采用下图的电路,其中J为继电器的绕组。D是不可少的,在晶体管Q由通到断瞬间,性的J将产生很高的反向,此电动势与的叠加值使晶体管Q可能被。二极管D起续流作用,避免流经的突然变成0。