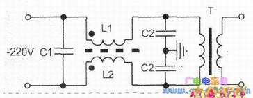
下图C1、L1、L2、C2、C3组成。
其中L1、L2、C1用于抑制串联干扰,C2、C3用于抑制共模干扰,称为共模扼流圈,一般用于抑制共模干扰。它由双线并绕在锰锌铁氧体磁环上组成,因此L两个绕组的同名端均在图中左端,这样往返的输入在两绕组产生的内相互抵消,磁芯不易产生磁饱和。从而允许采用高相对μr的磁芯,取得大的量,改善效果。常见的L可采用 MX0-2000φ18x8x5的磁环,由巾0.6mm直径的漆包线,双线并绕70匝制成,量约6.6mH。C1=0.047~0.33μF,C2、C3一般为几千pF,最好采用高频性能好的多层陶瓷或聚脂器,并应减额。
滤波有多种成品,分为低频和高频。它们对电源具有良好的抑制串模和共模干扰的作用。
常见在电缆线端头有一磁环上绕一到几圈或者直接穿过磁环(磁珠),这是起到提高电磁兼容(、)性能的作用。可以抑制窜入高频干扰。还具有吸收静电脉冲的能力。
