PC知多少
个人PC所采用的都是基于一种名为“开关模式”的技术,所以我们经常会将个人PC电源称之为——(Switching Mode Power Supplies,简称),它还有一个绰号——DC-DC转化器。本次文章我们将会为您解读开关电源的工作模式和原理、开关电源内部的元器件的介绍以及这些元器件的功能。
●线性电源知多少
目前主要包括两种电源类型:线性电源(linear)和开关电源(switching)。线性电源的工作原理是首先将127 V或者220 V市电通过转为低压电,比如说12V,而且经过转换后的低压依然是AC交流电;然后再通过一系列的进行矫正和整流,并将低压AC交流电转化为脉动(配图1和2中的“3”);下一步需要对脉动电压进行,通过完成,然后将经过滤波后的低压交流电转换成DC直流电(配图1和2中的“4”);此时得到的低压直流电依然不够纯净,会有一定的波动(这种电压波动就是我们常说的纹波),所以还需要或者电压进行矫正。最后,我们就可以得到纯净的低压DC直流电输出了(配图1和2中的“5”)

配图1:标准的线性电源设计图

配图2:线性电源的波形
尽管说线性电源非常适合为低功耗设备供电,比如说无绳电话、PlayStation/Wii/Xbox等游戏主机等等,但是对于高功耗设备而言,线性电源将会力不从心。
对于线性电源而言,其内部以及变压器的大小和AC市电的成反比:也即说如果输入市电的频率越低时,线性电源就需要越大的电容和变压器,反之亦然。由于当前一直采用的是60(有些国家是50Hz)频率的AC市电,这是一个相对较低的频率,所以其变压器以及电容的个头往往都相对比较大。此外,AC市电的浪涌越大,线性电源的变压器的个头就越大。
由此可见,对于个人PC领域而言,制造一台线性电源将会是一件疯狂的举动,因为它的体积将会非常大、重量也会非常的重。所以说个人PC用户并不适合用线性电源。
●开关电源知多少
开关电源可以通过高频开关模式很好的解决这一问题。对于高频开关电源而言,AC输入电压可以在进入变压器之前升压(升压前一般是50-60 KHz)。随着输入电压的升高,变压器以及电容等元器件的个头就不用像线性电源那么的大。这种高频开关电源正是我们的个人PC以及像VCR录像机这样的设备所需要的。需要说明的是,我们经常所说的“开关电源”其实是“高频开关电源”的缩写形式,和电源本身的关闭和开启式没有任何关系的。
事实上,终端用户的PC的电源采用的是一种更为优化的方案:闭回路系统(closed loop system)——负责控制开关管的,从电源的输出获得反馈信号,然后根据PC的功耗来增加或者降低某一内的电压的频率以便能够适应电源的变压器(这个方法称作,Pulse Width Modulation,脉冲宽度)。所以说,开关电源可以根据与之相连的耗电设备的功耗的大小来自我调整,从而可以让变压器以及其他的元器件带走更少量的能量,而且降低发热量。
反观线性电源,它的设计理念就是功率至上,即便电路并不需要很大。这样做的后果就是所有元件即便非必要的时候也工作在满负荷下,结果产生高很多的热量。
看图说话:图解开关电源
下图3和4描述的是开关电源的PWM反馈机制。图3描述的是没有PFC(Power Factor Correction,功率因素校正) 电路的廉价电源,图4描述的是采用主动式PFC设计的中高端电源。

图3:没有PFC电路的电源

图4:有PFC电路的电源
通过图3和图4的对比我们可以看出两者的不同之处:一个具备主动式PFC电路而另一个不具备,前者没有110/220 V转换器,而且也没有电压倍压电路。下文我们的重点将会是主动式PFC电源的讲解。
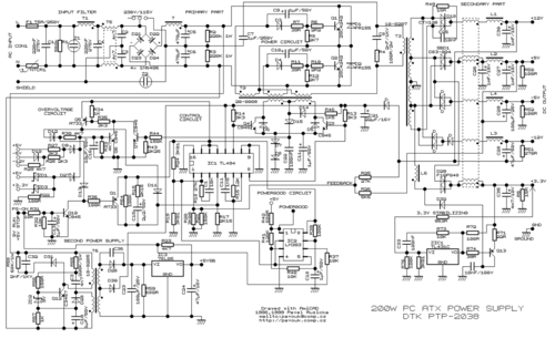
为了让读者能够更好的理解电源的工作原理,以上我们提供的是非常基本的图解,图中并未包含其他额外的电路,比如说短路保护、待机电路以及PG信号发生器等等。当然了,如果您还想了解一下更加详尽的图解,请看图5。如果看不懂也没关系,因为这张图本来就是为那些专业电源设计人员看的。

图5:典型的低端ATX电源设计图
你可能会问,图5设计图中为什么没有电压整流电路?事实上,PWM电路已经肩负起了电压整流的工作。输入电压在经过开关管之前将会再次校正,而且进入变压器的电压已经成为方形波。所以,变压器输出的波形也是方形波,而不是正弦波。由于此时波形已经是方形波,所以电压可以轻而易举的被变压器转换为DC直流电压。也就是说,当电压被变压器重新校正之后,输出电压已经变成了DC直流电压。这就是为什么很多时候开关电源经常会被称之为DC-DC转换器。
馈送PWM控制电路的回路负责所有需要的调节功能。如果输出电压错误时,PWM控制电路就会改变工作周期的控制信号以适应变压器,最终将输出电压校正过来。这种情况经常会发生在PC功耗升高的时,此时输出电压趋于下降,或者PC功耗下降的时,此时输出电压趋于上升。
在看下一页是,我们有必要了解一下以下信息:
★在变压器之前的所有电路及模块称为“primary”(一次侧),在变压器之后的所有电路及模块称为“secondary”(二次侧);
★采用主动式PFC设计的电源不具备110 V/ 220 V转换器,同时也没有电压倍压器;
★对于没有PFC电路的电源而言,如果110 V / 220 V被设定为110 V时,电流在进入整流桥之前,电源本身将会利用电压倍压器将110 V提升至220 V左右;
★PC电源上的开关管由一对功率MOSFET管构成,当然也有其他的组合方式,之后我们将会详解;
★变压器所需波形为方形波,所以通过变压器后的电压波形都是方形波,而非正弦波;
★PWM控制电流往往都是,通常是通过一个小的变压器与一次侧隔离,而有时候也可能是通过耦合芯片(一种很小的带有和光电的芯片)和一次侧隔离;
★PWM控制电路是根据电源的输出负载情况来控制电源的开关管的闭合的。如果输出电压过高或者过低时,PWM控制电路将会改变电压的波形以适应开关管,从而达到校★正输出电压的目的;
下一页我们将通过图片来研究电源的每一个模块和电路,通过实物图形象的告诉你在电源中何处能找到它们。