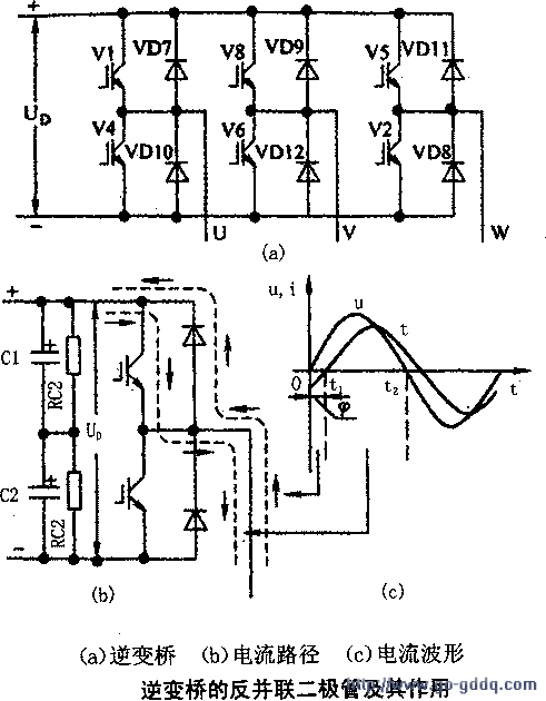
逆变桥中,每个逆变管旁边,都要反并联一个,如图l(a)中之VD7~VDl2所示。它们的作用如下:
异步电动机的定子是感性电路,其的变化将滞后于,如图(c)所示。图中:
O~t1段:电流i与电压u的方向相反,是绕组的(即反电动势)克服电压在作功(磁场作功)。这时的电流将通过反并联二极管流向直流回路。
tl~t2段:电流i与电压u的方向相同,是电压克服绕组的自感电动势在作功(电源作功)。这时的电流是从直流电源通逆变管流向电动机的。
如果没有反并联二极管,则因为逆变管只能单方向导通,绕组的磁场无法与电源(中为直流电路)交换能量,电路的工作将发生畸变。
