1 引言
随着电力电子装置的迅速发展,产生了两方面的问题:一是电力电子变流产生的谐波干扰已成为电力系统之中谐波的主要来源,谐波造成的危害日益严重。二是电力电子系统中的无源元件,特别是电解在成本、体积和可靠性等方面无多大改进。由于谐波引起发热危及电解的使用寿命,因此,电解电容成为电力电子系统中最薄弱的环节。
为了消除谐波的影响,近几年国内外进行了型和型有源的研究,在电网交流侧进行补偿。在电力电子系统中带的变换器是一个谐波源,引起直流侧的电流和电压的波动,若人为地在直流侧再加一个位的谐波源,即可控有源就可使两者谐波相互抵消,达到谐波内补偿的作用。用高频有源器取代电解电容是一种“硅解“无源元件的办法。这种新结构既可使谐波不外传,又可取消电解电容。
本文介绍电压型用作直流侧电力有源滤波器滤除谐波,同时取代电解电容的原理及方案。
2 谐波补偿原理
电压型变换器在直流环节中的基本元件是电解电容,它可以吸收负载和产生的谐波。用电力有源滤波器替代电解电容,一方面“硅解”电解电容,另一方面可以更好地实现谐波补偿。
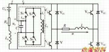
图1为电压型逆变器主电路图。为简化分析,电路采用直流电压源供电。图中UB为直流电压源,RB、LB分别为电压源内部和。虚线框内为取代电解电容的电力有源滤波器。
负载为感性时,逆变器输入电流包括两部分:直流量id.dc和纹波id.ac即:
id=id.dc+id.ac(1)
为补偿谐波电流id.ac,要求电力有源滤波器输入电流ig与id.ac大小相等方向相反,即:
ig=-id.ac(2)
这时直流电压源输出电流为:
i=id+ig=id.dc(3)
直流电压源输出电流等于逆变器输入电流的直流分量。

图1用有源滤波器替代电解电容的单相逆变器
电力有源滤波器为单相电流型,开关器件S1-S4采用功率MOSFET,其工作高,响应速度快。LF为有源滤波器直流侧储能元件,C为交流电容。
电抗器LF中的电流if经开关器件S1-S4切换,在有源滤波器输入端产生包含逆变器输入纹波电流id.ac在内的波电流if.ac。电流if.ac经交流电容解调后产生与逆变器输入纹波电流id.ac近似等值而反向的电流ig,从而补偿了逆变器输入纹波电流id.ac。
3 电力有源滤波器的控制
电力有源滤波器采用直流环电压滞环控制的方法,控制电路方框图如图2所示。它包括基本控制,电抗器LF的平均电流控制及谐振抑制等。

图2有源滤波器控制框图
基本控制部分由低通滤波器(1)和(2),滞环比较器,过零比较器,和比较器组成。直流环电压ud减去低通滤波器(1)检测到的直流分量ud.dc得纹波分量ua.ac,ua.ac通过滞环比较器产生逻辑信号I1。逆变器输入电流id减去低通滤波器(2)检测的直流分量id.dc,得纹波电流信号id.ac。id.ac一方面经过零比较器产生代表电流极性的逻辑信号I2,另一方面经整流电路和比较器产生判断|id.ac|是否超过阈A的逻辑信号I3。I1-I3经译码器产生开关器件(S1-S4)的控制信号Ugs1-Ugs4。
电抗器LF平均电流控制部分由PI调节器,超前补偿器和低通滤波器(3)组成。此部分可使电抗器的平均电流保持恒值并使电抗器具有足够的能量。if*为参考电流,if.dc为低通滤波器(3)检测出的电抗器电流if的平均分量。偏差电压信号ue反映了if.dc和if*的偏差。ue和ud.ac叠加,通过滞环比较器改变有源滤波器电流if.ac的占空比,从而使电抗器上承受正向平均电压。
谐波抑制部分包括带通滤波器和放大器As。此控制部分用以抑制系统投入工作或逆变器输入纹波电流发生突变时LB和C之间可能发生的谐振。
4 PSPE仿真结果
图1所示单相桥式逆变器电路,取UB为300V,RB为0.1Ω,LB为100μH,输出频率为30。负载为阻感性负载,其中为10Ω,为700mH。有源滤波器的电感LF为85mH,电容C为10μF。S1-S4采用功率MOSFET。仿真控制电路框图如图2所示。
图3(a)(b)分别为逆变器直流环电压ud和直流环电流i的PSPICE仿真波形。结果表明,直流环电压和电流为基本平直的电压和电流。
5 结论

(a)直流环电压ud
(b)直流环电流i
图3PSPICE仿真结果
电力有源滤波器作为谐波源,可以替代电解电容,补偿逆变器输入纹波电流,实现交流电路的谐波内补偿及电解电容的硅解。随着电力电子器件高频化及电力电子技术的发展,这种谐振自适应系统会具有很高的应用价值。
相关文章推荐:
高速光电耦合器工作原理及应用领域