视频编器是指一个能够对数字视频进行压缩或者解压缩的程序或者设备。根据解码的方式不同,视频解码可分为模拟解码和数字解码两大类:
(1)模拟解码
模拟视频解码就是对输入的视频信号先进行Y/C分离,再将色度信号C分离出U( B-Y)信号、V( R-Y)信号,最后在矩阵电路中与亮度信号Y进行计算,以获得模拟的RGB信号,再送到外部转换电路,将模拟信号转换为数字信号。下图所示为模拟解码电路的工作示意图。电路的工作过程如下:

出的彩色全电视信号CVBS送到模拟视频解码电路,在模拟解码电路中,CVBS信号送到Y/C分离电路后,将亮度信号Y和色度信号C分离,分离后的Y、C信号送到YC切换电路,与输入的Y、C信号切换后,Y信号送到基色矩阵电路,C信号送到色度解调电路,解调出两个色差信号,U(B-Y)和V(R-Y),也送到基色矩阵电路。在基色矩阵电路中,Y、U(B—Y)、V(R-Y)三个信号进行运算处理,产生RGB信号,送到RGB切换开关电路,与外部RGB信号(如字符信号)进行切换后,送到外部A/D转换电路,将模拟的RGB信号转换为数字RGB信号,再送到后面的去隔行处理电路。
液晶彩电采用的模拟解码芯片有多种,常用的有TB1261、TB1274AF、LA76930、TDA9321、OM8838、TMPA8809,TDA9370、TDA12063、TDA15063等。其中,TMPA8809、TDA9370、TDA12063、TDA15063为超级芯片,其内部不但集成有解码电路,而且还具有MCU的功能。
下面主要对应用较为广泛的模拟解码超级芯片TDA15063进行介绍。
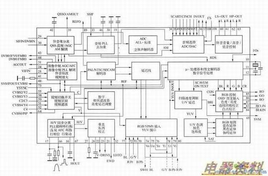
TDA15063是飞利浦公司继TDA93××系列超级芯片之后,推出的第三代超级芯片,称为UOCⅢ芯片,其内部电路框图如下图所示。它除保留原TDA93××系列的全部功能之外,在TV部分还增设了数字梳状Y/C分离和数字音频处理,在微处理控制部分增设了D—BUS接口,同时ROM内存容量增大至256KB,RAM内存容量增大至8KB,时钟由12M增高到24.576MHz。因此TDA15063芯片的集成度比TDA93××系列更高、存储量更大、运算速度更快,在液晶彩电中应用较多。

TDA15063超级芯片集成有图像/伴音中频处理、视频切换、视频解码、行场信号处理、微控制器、OSD显示等电路,功能十分强大,因此,由TDA15063构成的液晶彩电,电路结构十分简洁。下图所示是TDA15063在长虹LS07机芯液晶彩电中的应用电路。

TDA15063为超级芯片,内部集成了较多功能,其功能如下。
①图像中频信号处理电路:从高频头输出的中频信号IF经滤波,分离出图像中频信号,从超级芯片TDA15063的24、25脚平衡输入,在TDA15063内部通过三级中频放大和同步检波解调得到CVBS全电视信号,再经伴音中频陷波器吸收后,得到纯净的复合视频信号,送到TDA15063内部视频切换开关。
在TDA15063内部,中放AGC电路峰值检波产生IF AGC,加到内部中频放大器,控制其增益,IFAGC信号还送入RFAGC电路,延迟产生射频AGC电压(RF AGC),从TDA15063的31脚输出,加到高频头,控制高放级增益。RF AGC电压的起控点(延迟量)由内部I2C总线来设定。
另外,在TDA15063内部,经中频放大后的中频信号通过900移相,送到内部AFT电路,产生AFT电压,加到内部MCU,作为是否准确的依据。
②伴音中频和音频处理电路:由高频头输出的IF信号经伴音中频滤波,分离出第一伴音中频信号,加到TDA15063的29、30脚,通过内部伴音制式电路识别选择,由各自伴音中频电路进行相应处理。如果是DVB广播伴音,则伴音中频信号经AGC控制的放大器放大后送到QSS器,经解调后得到第二伴音中频信号,经A/D转换,产生数字伴音中频,加到数字解码,得到数字音频信号,送往后续的音频切换电路。
如果是伴音信号,则伴音中频限幅放大送到窄带解调电路。为了获得良好的选择性,在PLL伴音解调单元设置有伴音中频AGC电路和4.5MHz/5.5 MHz/6. OMHz/6.5 MHz频率校正电路。TDA15063的46脚外接伴音中频SIF AGC滤波C63,检波滤波形成的SIFAGC电压控制伴音中频放大器增益,保持恒定幅度的SIF信号进入PLL;校正电路采用的时钟频率作为基准,利用软件可使解调器的频率在4. SMHz/5. SMHz/6. OMHz/6. SMHz之间切换。TDA15063的38脚外接PLL环路,其上形成的直流误差电压用于控制FM解调器的频率,PLL解调得到的音频信号经去加重处理后,送到伴音切换电路。
音频信号处理单元由TDA15063的34~37、49、50、53、54、56、57、60~63脚内外电路组成,内部集成有A/D转换、伴音音频切换选择、高/低音控制、声道平衡及自动音量控制( AVL)、转换等电路。
输入到音频处理单元的音频信号有三路,第一路是DVB伴音,它是数字音频信号,直接送到音频切换开关;第二路是FM解调音频信号,经A/D转换后,转换为数字音频信号,送到音频切换电路;第三路是外部34、35脚输入的L2/R2,49、50脚输入的Ll/Rl,53、54脚输入的L3/R3,56、57脚输入的IA/R4音频信号,经A/D转换后也送入音频切换电路。
经音频切换电路切换后的数字音频信号再分往三路,第一路经D/A转换后,转换为模拟音频信号,由TDA15063的36、37脚输出主伴音音频信号LO/RO(该机未用);第二路经高音/低音/音量控制后,加到D/A转换电路,转换为模拟音频信号,从TDA15063的60、61脚输出模拟LDA/ RDA音频信号,送到末级音频;第三路从TDA15063的62、63脚输出模拟音频信号,去耳机放大电路。
③AV/TV视频切换:TDA15063内含视频切换电路,有两路模拟输入接口,第一路是55脚输入来自AV接口的CVBS视频信号;第二路是TDA15063内部中频解调电路输入的视频信号。这两路信号在TDA15063内部视频切换开关切换后,一路从TDA15063的48脚输出(该机未用),另一路去数字梳状进行Y/C分离。
④数字梳状滤波器:输入到数字梳状滤波器的视频信号先进行A/D转换,转换为数字视频信号,再经延时和逻辑运算,分离出Y、C信号,最后经D/A转换,转换为模拟Y、C信号,加到YC切换电路。另外,从TDA15063的51、52脚输入的S端子Y、C信号,以及从58、59脚输入的DVD的Y、C信号也加到YC切换电路,经切换后的Y、C信号送到后续的解码器。
⑤亮度和色度信号处理:YC切换电路输出的Y信号进入亮度通道,通过峰化电路进行锐度校正、控制降噪和黑延伸来增强图像的清晰度,然后再进行水平幅度和线性补偿、和亮度控制调整,送到三基色矩阵电路。
YC切换电路输出的色度信号(PAU NTSC/SECAM)由彩色制式自动检测电路对其彩色制式进行识别切换,然后送到相应的UV解调器(PAL/NTSC制)或UV鉴频器(SECAM制)。对于PAL/NTSC制色度信号,解调所需的4.43MHz/3. 58MHz色副载波由MCU主时钟( 24. 576MHz)锁相产生;SECAM制解调鉴频器的频率分别为4.406MHz和4.250MHz,由4. 43MHz色副载波为参考频率进行自动校准。TDA15063的19脚接SECAM-PLL环路滤波,滤波产生的直流误差电压用于锁定UV鉴频解调器的中心频率,解调出的U( B-Y)、V(R.Y)色差信号,从TDA15063的74~ 76脚输出,加到画质改善电路TDA9178(图8- 30中未绘出)处理后,加到TDA15063的72~70脚,进行延迟、色调、肤色和饱和度控制调整后,送往三基色矩阵电路。
⑥RGB三基色矩阵:YUV信号送人RGB三基色矩阵电路后,经计算处理,还原出RGB三基色信号,然后通过蓝色延伸、黑色延伸和伽玛校正,进入RGB切换开关,与来自内部屏显处理和图文解码器的OSD/图文基色信号进行切换选择,再经色饱和度、亮度控制和暗亮平衡调整,从TDA15063的85~ 87脚输出RGB三基色信号。
TDA15063的83脚为ABL束限制输入端,84脚为黑电流输入端。这两个端子主要用于CRT彩电,对于液晶彩电,83、84脚一般通过电容进行接地处理。
⑦行信号处理:TDA15063内设置有振荡频率为25MHz的HVCO,行振荡信号经分频得到fH脉冲,到HPLL1电路。另外,从TDA15063内部YC分离电路分离出的Y信号从74脚输出,经外围电容耦合后加到TD15063的73脚,送到内部同步分离电路,分离出行场同步信号,其中的行同步信号除送往MCU作为电台识别信号外,还有一路送到HPLL1电路。
在HPLL1电路中,行同步信号与fH信号进行频率和比较,产生与成正比的误差电流,经17脚外接的双时间滤波器平滑为误差控制电压,用于控制行的振荡频率。
当HPLL1环路锁定后,行同步信号与行振荡器的频率、相位达到完全同步。
同步后的行频信号送到PLL2环路,与TDA15063的66脚信号(来自画质改善电路TDA9178的1脚)进行相位比较后,产生误差信号,经16脚外接的电容滤波后获得直流控制电压,使得行同步信号相位准确,最后,同步的行激励信号经缓冲放大后并由67脚输出。
⑧场信号处理:TDA15063内部同步分离电路分离出的场同步信号送到场扫描处理电路,作为复位脉冲控制场,对fH脉冲进行计数分频,得到与场同步脉冲严格同步的场频脉冲。在场频脉冲触发控制下,通过对TDA15063的26脚外接电容充、放电,形成场频锯齿波脉冲,送到场驱动级,经放大、线性校正后,从TDA15063的22、23脚输出(该机只采用了22脚的场信号)。
TDA15063的21脚为E-W枕校输出端,32脚为过电压保护输入端,这两个引脚主要用于CRT彩电,由于该机为液晶彩电,因此,21脚经接5V高电平,32脚经接地。
⑨MCU控制电路:TDA15063内含MCU电路,和MCU相关的引脚大多为可编程脚,因此,TDA15063应用在不同的液晶彩电中,其MCU部分引脚的定义可能有所不同。在长虹LS07机芯液晶彩电中,和MCU有关的引脚和电路介绍如下:
★遥控接收电路:红外遥控信号发出的遥控信号经遥控接收器接收后,经内部光电转换输出遥控编码信号,送到97脚内部进行译码,最后变换为各种控制信号,完成相应的控制功能。
★按键处理电路:该机有两路按键信号输入,一路是本机电视键控电路,另一路是DVD键控电路。其中,DVD键控信号由DVD组件产生,送入119脚;本机电视键控电路采用串联分压的方式,产生不同的模拟电压送到120脚,经内部识别及变换后,完成音量+/一、节目+/一、菜单、AV/TV切换、开/待机控制功能。
★耳机插入识别电路:当机器未插入耳机时,耳机插孔线路断开,此时,116脚为低电平OV;当机器插入耳机时,耳机插孔线路接通,116脚由低电平转为高电平3.6V,TDA15063内部将通过I2C总线切断主伴音输出。
★M制和非M制式切换电路:当彩电接收非M制(由或本机键控设定)信号时,从123脚输出高电平3.3V,控制中频幅频特性适应于非M制;当彩电接收M制(由遥控器或本机键控设定)信号时,从123脚输出低电平OV,控制中频幅频特性适应于BG、I、D/K制。
★开关控制电路:液晶彩电正常工作时,TDA15063的122脚输出高电平3.3V,经后续电路送到逆变器,逆变器开启,灯管被点亮;当液晶彩电接收到待机指令时,122脚输出OV低电平,逆变器关闭而无高压输出,屏幕无光栅。
★DPF(数码相框)/DVD组件供电开关控制电路:若液晶彩电带有数码相框功能或具有内置DVD功能时,DPF或DVD组件供电由114脚进行控制。当彩电工作在TV/AV状态时,114脚输出低电平OV,经后续电路控制5V稳压U23无5V电压输出,DPF或DVD组件无供电而不工作;当彩电工作在DPF或DVD状态时,114脚输出高电平3.3V,控制SV稳压U23输出SV电压,DPF或DVD组件得电启动,进入工作状态。
★面板供电控制电路:液晶彩电正常工作时,113脚输出高电平2.8V,经后续电路控制U19的5—8脚输出电压到液晶面板,面板相关电路启动;当液晶彩电接收到待机指令时,113脚输出低电平OV,控制U19的5~8脚无电压输出,面板被关闭。
★复位信号输出电路:彩电启动瞬间,102脚输出低电平OV复位电压,经外接收电路加到MST518的33脚,对MST518实施复位操作,MST518被启动。
★HDTV/PC(即YPbPr/VGA)信号切换电路:HDTV/PC信号的切换包括三部分,即伴音信号的切换、图像信号的切换和同步信号的切换。HDTV/PC伴音信号的切换在TDA15063内部通过I2C总线进行;HDTV/PC图像信号及同步信号的切换由103脚输出的高/低电平对切换集成块U6(P15V330)、U16(74LVC126)分别进行控制。
★待机静音控制电路:为避免在待机状态下内发出,彩电设置了待机静音控制电路。彩电正常工作时,104脚输出低电平OV,经后续电路处理,使伴音块U8/U21的17脚电压均为11.8V高电平,U8、U21正常工作;当彩电由开机状态转为待机状态时,从104脚输出高电平3.3V,控制U8、U21的17脚转为低电平OV,U8、U21完全无信号输出,避免了噪声的出现。
★TV/DPF信号切换电路:TV/DPF的切换是针对两者图像RGB信号及行场同步信号的切换。当液晶彩电工作在TV/AV/SVHS状态时,105脚输出低电平OV,U20、Ul0分别将TDA15063输出的RGB三基色及行场同步信号HS、VS接入后级处理电路;当液晶彩电工作在DPF(数码相框)状态时,105脚输出高电平4.9V,U20、Ul0分别将DPF_RGB基色及行场同步信号DPF_HS、DPF_VS接入后级处理电路。
★开/待机控制电路:长虹LS07机芯液晶彩电待机时对的控制,主要是切断12Va/5V_A/5V_SW电压,由TDAl5063的106脚进行。当彩电正常工作时,106脚输出2.8V高电平,经后续电路处理,控制12Va/5V_A/5V_SW输出正常;当彩电由开机转为待机状态时,106脚输出OV低电平,12Va/5V_A/5V_SW电压同切断,整机处于待机状态。
★指示灯控制电路:长虹LS07机芯有红、绿两种指示灯显示,由111、112脚进行控制,当彩电待机时,111脚输出3.3V高电平,112脚输出OV低电平,控制红色指示灯点亮,绿色指示灯熄灭;当彩电开启时,111脚输出OV低电平,112脚输出3.3V高电平,红色指示灯熄灭,绿色指示灯点亮。
(2)数字解码电路
数字视频解码就是先用A/D转换电路对模拟视频信号进行数字化处理,然后进行Y/C分离和数字彩色解码,以获得数字Y、U(B-Y)、V(R-Y)或数字RGB数据,送到后面的去隔行处理电路。下图所示为数字解码电路工作示意图。
