当接修到一台高清彩电输出正常但为黑屏故障时,要判定其故障是否在行扫描的方法和普通CRT彩电一样,仍然采用在二次开机后,通过观察机内现象和电压测量的方法进行确定。对大多数高清CRT彩电而言,能在二次开机瞬间听到机内有高压启动产生的静电声,或观察到CRT灯丝亮,或能测到行输出电路输往CRT的加速极电压和灯丝电压,即使自动返回到待机工作状态,也可说明行扫描电路已经启动进入了基本正常的工作状态,此时的黑屏故障也应当与行扫描电路中的行振荡电路、行激励脉冲放大电路和行输出电路无关;反之,则与其有关。
通过观察和电压测量确定出了黑屏故障在行扫描电路之后,接下来如何判定故障是在行扫描电路中的行振荡电路、行激励电路或行输出电路呢?
高清彩电中的行振荡电路通常设计并安装在数字板上。检修黑屏故障时,如果在电视机二次开机后,在行激励管的基极(若行激励管采用的是MOS管,则为控制极)测不到激励脉冲信号,则说明黑屏故障在数字板上的行振荡电路上。大多数高清彩电行振荡电路采用的集成块通常为TDA9332、OM8370、TDA9111、TDA9112、TB1307等,在这些集成块中,与行振荡有关的电路(集成块的引脚和外接元件)较简单,造成行不振荡的原因通常是行启动电压(行振荡集成块的供电电压)不正常和集成块损坏。
如果黑屏故障是由行输出管所致,换了行管后电视机能正常工作,但过了一段时间后行管又再次击穿损坏,则故障通常不是行管本身问题,极可能是行振荡电路中的不良(热稳定性差)、行激励电路中的高频不良或元件存在虑焊、行输出电路中的逆程不良等。
值得注意的是,在检修高清彩电因行扫描电路工作不正常引起的黑屏故障时,不要以为黑屏时能观察到灯丝亮,就判定所维修电视机的行扫描电路工作正常,黑屏故障与行输出电路无关。一定要具体情况具体分析须知不同的CRT高清彩电,行电路结构不同,有的高清彩电采用单行输出电路,有的则将行电路中的高压形成电路和ABL检测电路和部分中压形成电路从传统行电路中分离出来设计成独立的电路。
单行输出电路就是行扫描电路中的行振荡电路、行激励电路和行输出电路均只有一个。在这种电路中,行偏转线圈的驱动、整机部分电路所需要的中压、低压和CRT所需要的灯丝电压、阳极高压均由行输出电路提供。当然,采用这种电路结构的高清彩电如果灯丝是亮的,其黑屏故障自然与行输出电路无关。如长虹系列高清彩电所采用的行扫描电路就是单行扫描电路。
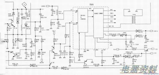
下图中的电路就是将行电路中的高压形成电路稠ABL检测电路和部分中压形成电路从传统行扫描电路中分离出来设计成独立的电路的典型代表。该电路是创维6M20、6M23机芯中所采用的独立于传统行输出电路的高压形成电路、ABL检测电路和部分中压形成电路。
在下图所示的电路中,T501为一组件电路,该组件内部具有独立的脉冲振荡、激励和输出电路,且的振荡与行振荡电路的振荡频率无关。组件的工作电压为200V,工作状态受Q808的控制。组件的⑩脚为供电脚,⑧脚为启动控制脚,外电路通过⑧脚对组件内部电路的工作状态进行控制。⑧脚为高时,外电路中的200V电压才能通过⑩脚送到组件内部的相关电路上,启动组件进入工作状态。
控制管Q808的工作状态受Q421的控制,Q421则受行输出电路的控制。从电路结构上看,只有行输出电路输出的脉冲信号经C422、C423分压后加到D402的正极,并经D402、C414组成的整流滤波电路滤波后得到的直流电压加到Q421的基极,使Q421饱和导通时,Q808才能截止,使组件⑧脚处于高电平。这就是说,只有行输出电路进入正常工作后,T501组件才能启动进入正常工作状态。当然,即使行输出电路能正常工作,若T501组件存在故障,也无法为CRT提供所需要的中、离电压,电视机也会出现黑屏故障。这就是为什么对某些高清彩电来讲,即使是灯丝亮和RGB基色信号处理电路工作正常,也会出现黑屏故障的原因。
