高清彩电出现黑屏故障时,若CRT的高压、帘栅、灯丝电压均正常,调高帘栅电压时,屏幕上能出现带回扫描线的白色光栅,其黑屏故障一定与行场扫描无关,此时,测量CRT的阴极电压,其电压一定很高,接近其供电电压。阴极电压高,应是视频放大电路处于截止状态的结果。导致视放电路输出电压高的原因通常是视放电路、RGB基色信号处理电路或控制系统电路存在故障所致。
高清电视视频放大电路常用的有:TDA6111、TDA6120、LM2451、LM2422等。这些lC组成的视放电路可分为两类:一类具有暗平衡自动校正功能,具有暗平衡自动校正功能的电路,其RGB基色信号处理电路一定与视频放大电路(如TDA6111)组成闭合控制环路;另一类是RGB基色信号处理电路与视频放大电路相互独立,这类电路没有暗平衡自动校正功能(如LM2451、LM2422等)。当然,TDA6111也可与RGB基色信号处理电路相互独立,单独组成视频放大电路。
在高清彩电中,整机是否有暗平衡功能由软件决定,如长虹高清CHD-1机芯总线参数中项目为AUTO WB便设置为“YES”表明启动了自动暗平衡,如果设置为“NO”便关闭AKB自动暗平衡校正功能。有暗平衡自动校正功能的电视机通常不必进行暗平衡调整,只有亮平衡调整项。没有暗平衡自动校正功能的电视机软件参数将设计有亮、暗平衡调整参数。
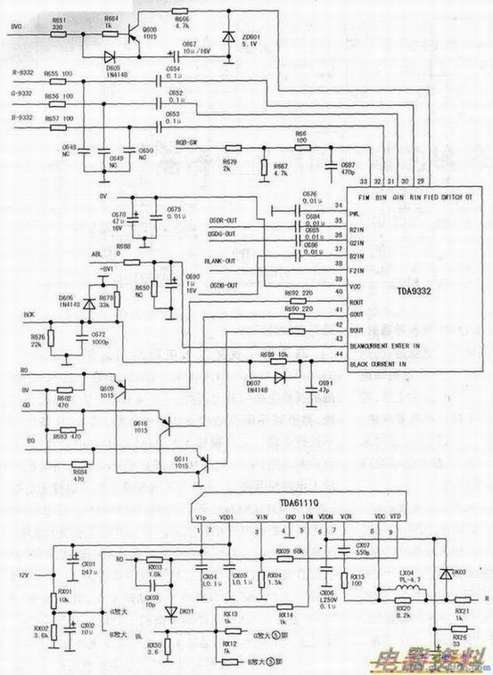
下图是TDA6111与TDA9332组成的RGB基色信号处理与末级视放电路中的部分电路原理图。下图中TDA9332(40)~(42)脚送出的RGB信号经射随器放大后,分别送往TDA6111组成的三路视频放大电路进行功率放大(注:图中只画出了R视频放大电路,B、G放大电路与R通道相同)。
在下图中,TDA9332(40)脚送出的R信号经射随器放大后,送往TDA6111Q③脚,12V电压经RX01、RX02分压形成的3.1V基准电压接入TDA6111Q①脚,TDA6111①、③脚为差分放大电路的信号输入端,正常工作时要求①脚直流接近③脚的3.1V电压,如果相差太大将出现偏色或黑屏故障。③脚输入的信号经集成块内部电路放大后从⑧脚输出,然后经RX20、RX21加到CRT的阴极,作为CRT的驱动信号。⑤脚为黑检测信号输出端,输出的黑电流信号经插座接入数字板上集成块TDA9332(44)脚(BCK脚),进入(44)脚后的黑电流经集成块内部相关路处理后,形成控制信号直接送往集成块内部的RGB基色信号处理电路,然后通过RGB基色信号处理电路去控制由TDA6111Q组成的视频放大电路的工作状态。从上面的分析可以看出,在具有黑电流校正功能的高清彩电中,电路中的RGB基色信号处理电路与视频放大电路构成了一个完整的闭合环路,故视放电路有故障会影响TDA9332(44)脚的反馈电平,使TDA9332内部的RGB基色信号处理电路工作不正常,从而出现黑屏故障。
判定TDA9332(40)~(42)脚输出的RGB电压不正常是否因视放电路引起,采用如下方法即可判定:黑屏时对帘栅极电压进行调整,如果调整过程中测得TDA6111的基色信号输入脚电压和黑电流检测输出脚(BL脚。正常时,BL脚电压变化范围在:3.2V~8V)电压,有变化则表明集成块TDA9332内部的RGB基色信号处理电路无故障,黑屏的原因在视放电路。
